

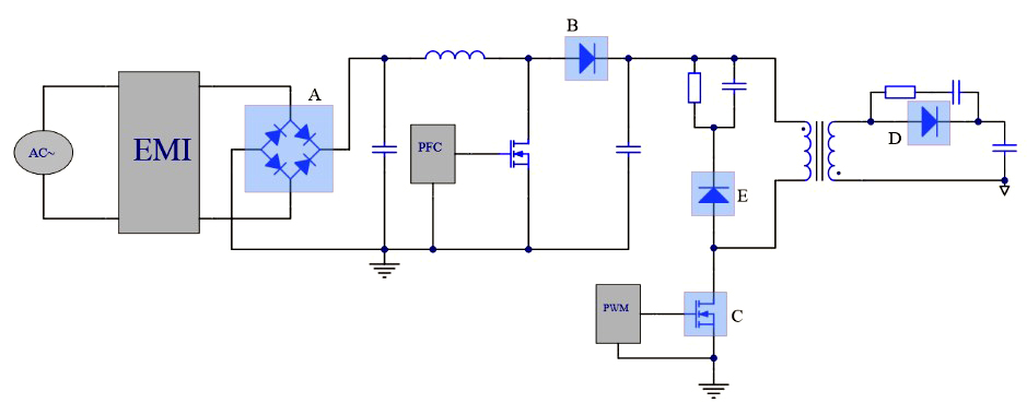
| A:整流 | B:PFC整流 | C:原边高压开关 | D:副边整流 | E:RCD吸收(阻尼二极管) |
| W1XZ063E(MB6S) | W1XK2150N600LA (MUR1660CT) | S2XM2595N600L(4N60) | S1XV1480R100L(MBR10100CT) | W1XA0850N600L |
| W1XZ075E(MB6S) | W1XK3000N600LA(MUR3060PT) | S2XM2595N650L(4N65) | S1XV2100R100L(MBR20100CT) | W1XA1180N600YT |
| W1XZ093D(2CZ4004) | W1XK4060N600LA(MUR6060PT) | S2XM3377N650L(7N65) | S1XV2400R100L(MBR30100CT) | ...... |
| W1XZ093E(2CZ4005) | ...... | S2XM3818N600L(10N50) | S1XS301DE(MBR2045CT) | |
| W1XZ100F(2CZ4006) | S2XM3818N650L(10N65) | S1XSD01J(MBR20100CT) | ||
| W1XZ100G(2CZ4007) | ...... | S1XS301O(MBR20150CT) | ||
| ...... | WBXA0830N850L | S1XS301T(MBR20200CT) | ||
| WBXA1180N850L | ...... | |||
| WBXA1340N850L | ||||
| WBXA1480N700L | ||||
| WBXB1800N700L | ||||
| ...... | ||||
| W2XN0160(3DD13003) | ||||
| W2XN1180A(3DD13003) | ||||
| W2XN1205(3DD13005) | ||||
| ...... |
苏公网安备 32028102000174号